お問い合わせ

TOKIO LAB トキオラボ

Product information

製品案内

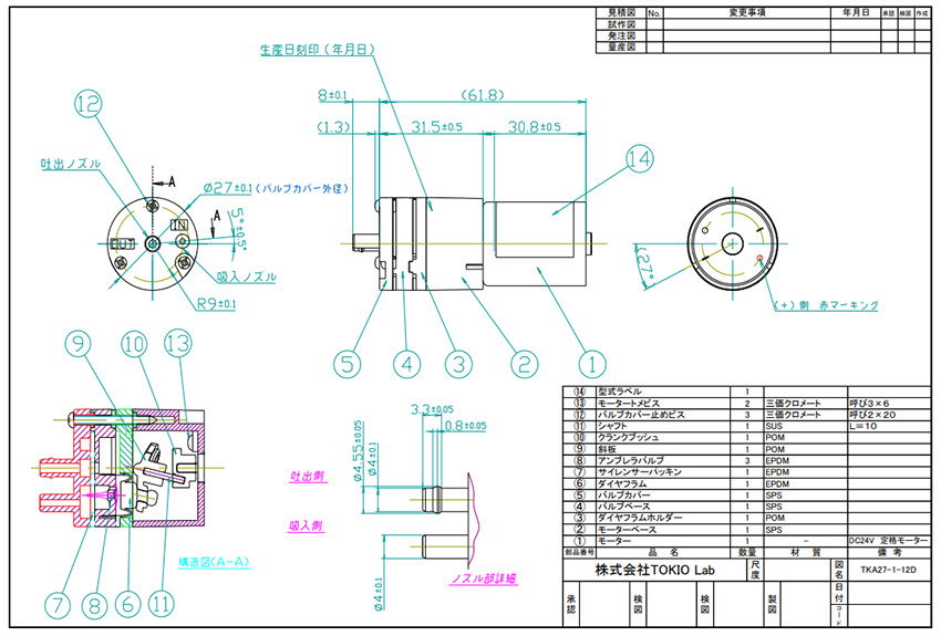
TKA27-1-12D

標準仕様

定格電圧
DC12V
定格DC24Vモーター
流量(空気)
0.5L/min以上
無負荷運転時、冷機、初期、注1
流量(水道水)
0.3L/min以上
注1、無負荷運転時、冷機、初期 *ON/OFF制御要
最大電流(空気)
0.15A以下
注1、冷機、初期
最大電流(水道水)
0.28A以下
注1、冷機、初期
最大吐出圧力(空気)
95KPa以上
注1、冷機、初期
最大自吸圧力
-45KPa以上
注1、冷機、初期
運転時間
連続(空気)・断続(水道水)
注1、水道水は別途運転時間要協議
耐久寿命
使用条件による
注2
本体質量
0.07Kg
使用環境温度
5℃~50℃
結露状態をのぞく
使用環境温度
30~85%
結露状態をのぞく
使用流体
空気・水道水
表記以外の液体については別途要協議
最低起動電圧(参考)
DC6V以上
注1、無負荷運転時、冷機、初期

*標準状態(JIS B 0142)とは、温度20℃、絶対圧1013hPa、相対湿度65%の空気状態をいう。
注1 条件は標準状態の環境で定格電圧にて作動している時とします。
注2 耐久寿命については、使用圧力、使用温度などの使用条件により異なります。
注3 液体使用の場合、ポンプ内部が長期間エアーを含む状態になりますと、ゴムの貼り付きが起こる可能性があります。
*本製品は標準品であり、使用部品、性能については変更する可能性があります。

型式表記

性能特性図(参考)

カスタム仕様も受け付けております。
(電圧・形状・能力変更など)

使用の可否・納期についてはお気軽にご相談ください。

ゴム足

防振ゴム

シリコーンチューブ